继智能手机后,近年来可穿戴设备正“包揽”全身,逐步成为消费者新时尚:耳戴TWS耳机,腕戴智能手环/智能手表,头戴智能眼镜/智能头显,身穿心电T恤……多种多样的智能穿戴设备正成为继手机后撬动着消费电子市场增长的新亮点。但看似百花齐放的繁荣表象背后,可穿戴设备发展却暗藏隐忧——应用场景单一、功能更新缓慢、同质化严重、入局者众多……

ADI中国产品事业部高级市场应用经理何源
“贝索斯曾经说过,很多人关注并追求未来十年会变化的东西,但是他问自己更多的是未来十年什么是不会变的。从可穿戴产品来看,人类对于健康的追求是不变的,健康消费一定是大趋势。”在前不久的第10届易维讯年度中国硬科技媒体论坛暨产业链研创趋势展望研讨会上,ADI中国产品事业部高级市场应用经理何源表示,“随着老龄化人口的增加以及对医疗保健整体支出的强烈关注,院外医疗监护已成为一种发展趋势,对有潜在风险的患者进行日常生活监护,或者让患者携带监护仪由医院回到家中,可使其康复过程更快捷、更舒适的可穿戴医疗设备将成为人们的刚需,我们已经开发出新的单芯片生物医学模拟前端系列来支持全球客户迎接这个大趋势。”
可穿戴设备是否会注定一头栽入存量市场,此后陷入“内卷”困境?在回答这个问题之前,不妨从可穿戴设备的本质出发,探寻其发展的核心路径。可穿戴设备,即直接穿在身上,或是整合到用户的衣服或配件的一种便携式设备。可穿戴设备不仅仅是一种硬件设备,更是通过软件支持以及数据交互、云端交互来实现强大的功能。可穿戴设备目前的主流产品形态包括以耳部为支撑的耳戴设备类,以手腕为支撑的手表手环类,以及以头部为支撑的虚拟现实/增强现实设备类等。
可穿戴设备或多或少都与人体部位存在部分接触,因此不管什么形态的可穿戴产品,都可用于健康管理与生命体征监测。“实际上,专业级可穿戴设备早已在医疗保健领域被广泛用于监测和诊断目的,例如智能云血压仪、心率血氧探测仪、远程监护设备(RPM)等等。商用消费级产品中,健康与医疗也正是腕类设备的主要应用场景和技术发展趋势,不少TWS耳机都升级了心率监测功能,甚至在看似与医疗健康毫无关系的VR/AR设备上,也可以通过加入传感器以实时检测与记录使用者的当前健康状态,并给予专业建议。”何源指出。
生命体征监测功能作为可穿戴设备发展的核心功能,这恰与当前政策环境和社会需求相符合:中共中央国务院印发的《“健康中国 2030”规划纲要》指出,要发展基于互联网的健康服务,培育一批有特色的健康管理服务产业,探索推进可穿戴设备、智能健康电子产品和健康医疗移动应用服务等发展;《“十四五”国家老龄事业发展和养老服务体系规划》里也重点提出研发穿戴式动态心电监测设备和其他生理参数检测设备,发展便携式健康监测设备、自助式健康检测设备等健康监测产品,开发新型信号采集芯片和智能数字医疗终端。政策引领下,可穿戴设备行业将迈入高速发展的坦途。
据中国健康城市白皮书调查, 35岁到65岁之间的人群,正在成为慢性病的大军。“慢病听上去好像很常见,但是危害很大,比如肥胖、超重、血脂异常、脂肪肝…这些病症正在形成两个趋势:在人群中的发病率呈明显的上升趋势;发病的人群年龄呈现年轻化。”何源指出,“不过这些慢性病或多或少都有一些症状提前显示出来,我们可以对这些亚健康状态进行监测,做到提早发现,及时治疗。这正是可穿戴医疗设备的巨大机会。”
可穿戴设备上有关生命体征的解决方案当前主要包括PPG(光电容积脉搏波描记法)、ECG(心电图)、Bio-z(生物阻抗分析)三种技术。PPG技术以光为主要技术载体,多用于心率信息的获取,采用光电容积传感器即可得 PPG 信号并测算出心率;ECG技术以电为主要技术载体,即心电图,这也是医院检查中大家较为熟悉的监测技术;Bio-z技术同样以电为主要技术载体,通过生物电阻测量来做体脂率、基础代谢率、骨骼肌、含水量的参数的判断,还可运用于更精准的情绪测量方面。

医院中的理想测量环境可以有效保障数据准确性
上述三种技术测量都是基于理想环境下的描述。例如在医院中进行心电检测,温度湿度适宜、状态稳定、设备辅助完善、时间充足、有专业的医生做身体数据分析,因此医院中更容易获得稳定的测量结果。“但如果将同一套东西搬到腕上的可穿戴设备中,就会出现各类问题。”何源分析说,“可穿戴设备的生命体征检测受各项干扰因素影响大,并且不同情况下、不同人群的身体状况都不一样,例如佩戴是否牢固、周围电磁干扰、皮肤状态不同、漏光、环境光的干扰、动态光的伪像……这些难题都大大增加了可穿戴设备测量的难度。”
像食材与厨艺之于美食,数据的准确性和算法的有效性对体征监测二者缺一不可
“要让可穿戴设备足够靠谱,需要从数据准确性和算法优化两方面入手,就像烹饪一道佳肴一样。”何源生动地举例说明,“数据是食材,算法是厨艺。想要得到美味,既少不了上好的食材作为源头,也少不了精湛的厨艺加工呈现。精准的体征信号采集才能提供准确的数据,良好建模的优化算法才能保障通过数据真实还原体征特点。”ADI在半导体领域深耕数十年, 一直都专注于模拟与混合信号处理等技术,在数据采集、转换、模拟/数字信号处理上都有很深厚的积淀,ADI中国产品事业部推出的多模式生命体征监测传感器前端ADPD6000便从这两方面入手,既从硬件电路设计上抓好数据入口,也同时在算法优化上在最大程度上从系统层面解决上述问题。
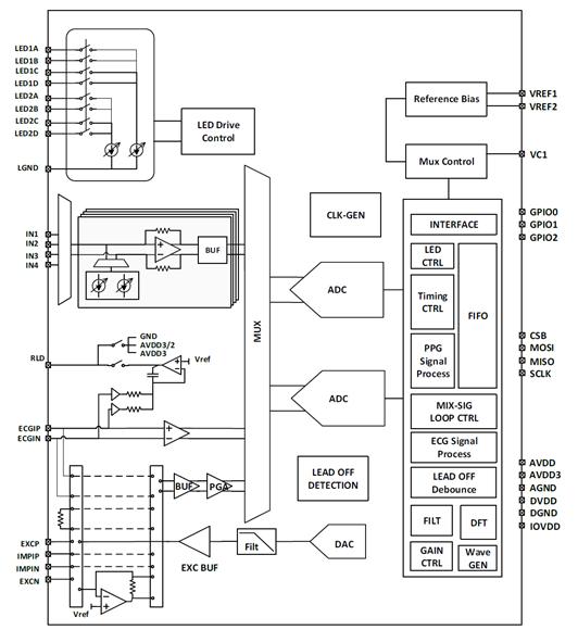
ADPD6000系列是高度集成的模拟前端(AFE),针对测量各种生命体征信号而设计,集成了ECG、PPG和Bio-z等多种技术,可用于心率、心电、血氧、体脂、情绪及压力等多种参数的测量。


ADPD6000应用及架构示意图
用于PPG的光路部分设计往往颇具难度,因为每个人胖瘦不同,手表佩戴的松紧不同,肤色不同,包括体毛、纹身、伤疤等因素都能影响采集精准度。对此,ADPD6000提供了极高的链路信噪比,保证了信号质量和可测覆盖度,可以减少因为常见干扰因素导致的测量误差,同时辅以环境光抑制和动态干扰抑制,力求拿到准确可靠的数据。
在ECG电极部分同样面临很多挑战。“例如寒冷的冬季皮肤比较干燥,或者大龄用户皮肤比较松弛,这些很常见的用例下很多时候都可能测不到结果。”何源指出,“ADI提供可靠、稳定、成熟的专业级架构技术,并配合干电极测试覆盖度等优化,可适配更多应用场景,即使是在干燥的冬季,ADPD6000也可保证足够的测量精度。”

数据+算法多项优化
除此之外,ADI针对用户佩戴不稳而容易导致的导联脱落场景也有对应方案,ADPD6000系列可准确判断接触状态,保证积累可靠的数据,并且集成了右腿驱动功能,有效抵消环境和共模干扰,使信号更纯净。
Bio-z电极方面的难点也在于每个人接触的状态不一样,由于用户的操作带来的误差很大。ADPD6000系列具备独有的专利技术,能去除手表材质、ID限制的影响,即使在复杂的环境下也可保证阻抗的测量精度,适配更多应用场景,对多变的外部变量几乎免疫。此外,ADPD6000系列可有效去除由于小电极带来的非对称误差,最终能将误差降到很小,媲美专业级设备。
ADI提供全面的参考方案和系统级支持
“ADI还提供稳定且自适应的算法,应用机器学习的理论,可以适配更多的环境和测试状态。” 何源表示。据何源介绍, ADI可提供包括软件、硬件、算法的开发板极支持,甚至也可根据用户不同的需求做定制化的开发,助力厂家打造差异化的产品。此外,该系列产品还有丰富的路线图,新一代产品也已经送样,未来会有更多空间和应用场景。
值得一提的是,ADPD6000系列产品由ADI中国产品事业部研发,实现了全链条的国产化,本土化设计、开发和支持,具备技术、服务和供应多重优势,能提供24小时响应。这也使得先进技术能顺利落地,发挥更大的本土化优势。
结语
社会老龄化的加剧、生活习惯的演变以及居住环境等不同因素,推进了社会疾病图谱的演进,中国的慢病人群逐年的增长。中国健康管理白皮书调查结果显示,中国已发病的慢病人群已逾3亿,整体更呈年轻化趋势,其中65岁以下占近半数。

来源:国家统计局,中国产业信息网,头豹研究院编辑整理
在此背景下,居民的健康观念逐渐由被动治疗转变为主动监测,具备健康管理的可穿戴设备在一定程度上弥补了因医疗资源的短缺导致的供需缺口,健康管理技术将为可穿戴市场带来重要的拉动功能。“除了运动追踪,现在的手表可以测心率、血氧饱和率、情绪、压力、健康状态,以及测体脂率等等。包括人类五大健康指标:心率、血氧、血压、呼吸、体温,这些未来终将都会一一被可穿戴产品攻克。”何源对可穿戴技术的未来发展充满了信心。